AR-YCWS10-21P
Клапан соленоидный нормально закрытый непрямого действия с диафрагмой AR-YCWS10-21P предназначен для управления потоком рабочей среды в трубопроводе
Особенности:
- Клапан может использоваться в пищевых устройствах: кулерах, бойлерах, кофемашинах
- Пониженное энергопотребление
- Компактный размер
- Ламели для подключения в комплекте
Для защиты клапана от попадания инородных частиц необходима установка фильтра механической очистки перед входным отверстием соленоидного клапана
Принцип действия и область применения:
Нормально закрытый соленоидный клапан – это магнитный клапан, в котором закрытое положение сохраняется, если управляющее напряжение на его индукционную катушку не подается. При подаче напряжения на катушку нормально закрытый клапан открывается и пропускает через себя поток рабочей среды. При отключении управляющего напряжения этот клапан автоматически закрывается и перекрывает поток рабочей среды в трубопроводе. При обрыве провода управляющего напряжения клапан будет закрыт.
В большинстве случаев подходит для эксплуатации в системах водоснабжения, теплоснабжения, вентиляции и пневмоуправления. Особенно актуально применение данного типа клапана, когда клапан должен быть закрыт большую часть времени либо когда он обязательно должен быть закрыт при отключении электропитания системы.
В большинстве случаев подходит для эксплуатации в системах водоснабжения, теплоснабжения, вентиляции и пневмоуправления. Особенно актуально применение данного типа клапана, когда клапан должен быть закрыт большую часть времени либо когда он обязательно должен быть закрыт при отключении электропитания системы.
Технические характеристики:
| Параметр | Значение | |
| Рабочая среда
| Вода, горячая вода, воздух, инертные газы, масла
| |
| Материал
| Корпуса
| Полиацеталь
|
| Уплотнения
| NBR
| |
| Температура рабочей среды
| −10...+80°С
| |
| Рабочее давление
| 0,02...0,8 МПа
| |
| Диаметр условного прохода
| 6 мм
| |
| Присоединение
| 2 штуцера ∅ 9,5 мм
| |
| Катушка
| SA41B, IP20
| |
| Питание
| ~220 В, ~110 В, ~24 В, =36 В, =24 В, =12 В, =6 В
| |
| Мощность | 5 ВА (AC), 5 Вт (DC)
| |
Модификации:
| Обозначение
| Ду, мм
| Kv, м³/ч
| Присоединение
| Pmin, МПа
| Pmax, МПа | Вес, г
|
| AR-YCWS10-21P-6-d9,5-CLN
| 6
| 0,85
| 2 штуцера ∅ 9,5 мм
| 0,02 | 0,8 | 87 |
Расшифровка обозначения клапана AR-YCWS10-21P-6-d9,5-XYZ:
AR-YCWS10-21P – модель клапана.
6 – диаметр условного прохода в мм.
9,5 – внешний диаметр штуцера, мм.
X – присоединение: C – штуцер.
Y – материал корпуса: L – полиацеталь.
Z – материал уплотнения: N – NBR.
AR-YCWS10-21P – модель клапана.
6 – диаметр условного прохода в мм.
9,5 – внешний диаметр штуцера, мм.
X – присоединение: C – штуцер.
Y – материал корпуса: L – полиацеталь.
Z – материал уплотнения: N – NBR.
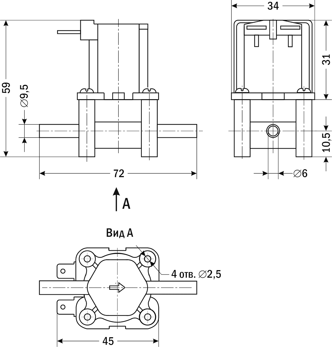
| Габаритные размеры |
|
Версия: 2025-10-29-СДГ
| Документ | Дата обновления |
| Паспорт на AR-YCWS10-21P | 07.12.2024 |
![1440x900_286943_[www.ArtFile.ru].jpg 1440x900_286943_[www.ArtFile.ru].jpg](/upload_ex/medialibrary/6f3/6f3a5067b32295dd9f437f3b1c8467ba.jpg)