ASE41H
Катушка энергосберегающая к нормально открытым (НО) клапанам AR-2Z32, AR-YCSM12, AR-YCB32, AR-2W42-15/20/25, AR-YCD22F, AR-YCH12
Особенности:
-
Низкое энергопотребление
-
Высокое быстродействие
-
Высокая сила втягивания
-
Температура нагрева: ≤ +30°С
-
Бесшумность
-
Срок службы в несколько раз дольше обычных катушек
Принцип действия:
В модуль энергосбережения встроена схема управления, с которой при старте катушка срабатывает на пусковой мощности Технические характеристики:
Версия: 2025-07-02-СДГ
| Параметры
| Значение
|
| Размер посадочного отверстия | ∅ 17,3×H43,7 мм |
| Пусковая мощность | ~90 ВА/=45 Вт |
| Мощность удержания | ~5 ВА/=7,5 Вт
|
| Питание
| ~220 В, =24 В |
| Степень пылевлагозащиты
| IP65
|
| Присоединение коннектора | DIN 43650A |
| Тип коннектора | SB201, SB202, SB211, SB218 |
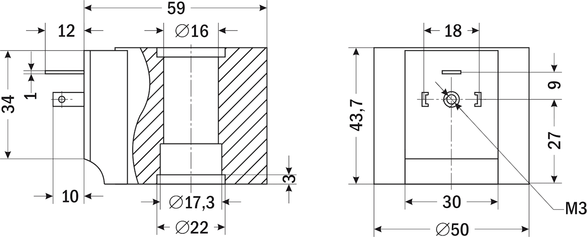
| Габаритные размеры | 43,7×50×59 мм
|
| Вес | 306 г |
| Таблица сопротивлений
| |||||
| Напряжение питания
| ~220 В
| =24 В
| |||
| Сопротивление | 2 500 000 Ом
| 2 400 000 Ом
| |||
Таблица совместимости катушки с соленоидными клапанами:
| Катушки, которые можно заменить на катушку ASE41H
| Клапаны, на которые можно поставить катушку ASE41H
|
| AS91HT
| AR-2Z32; YCSM12; YCB32 ; 2W42-15/20/25; YCD22F; YCH12
|
| Габаритные размеры |
![]() |
Версия: 2025-07-02-СДГ
| Документ | Дата обновления |
| Паспорт на ASE41H | 03.07.2025 |
![1440x900_286943_[www.ArtFile.ru].jpg 1440x900_286943_[www.ArtFile.ru].jpg](/upload_ex/medialibrary/6f3/6f3a5067b32295dd9f437f3b1c8467ba.jpg)
