Катушка к соленоидным клапанам предназначена для кратковременной работы от постоянного тока
Технические характеристики:
| Параметр | Значение |
Питание
| =110 В
| =12 В |
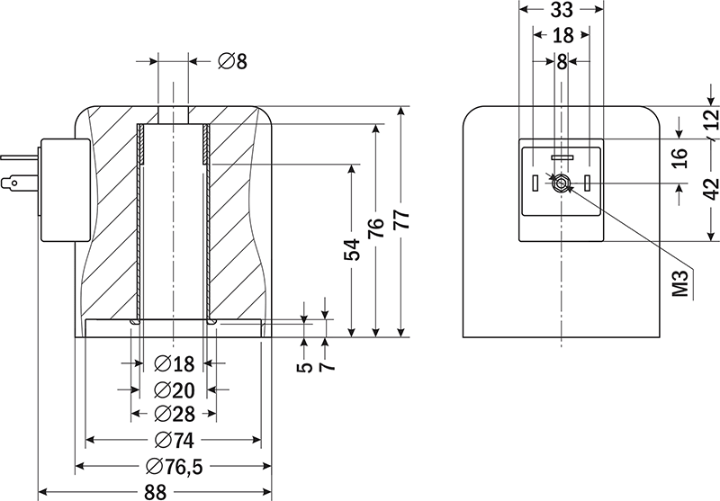
Размер посадочного отверстия
| ∅20×H76 мм
|
Потребляемая мощность
| =110 Вт | =90 Вт |
Класс нагревостойкости и изоляции катушки
| 180°C (класс H)
|
Степень пылевлагозащиты
| IP54
|
Присоединение
| DIN 43650A
|
Тип коннектора
| SB201, SB202, SB211, SB218 |
Габаритные размеры
| 77×76,5×88 мм
|
| Вес | 800 г
|
Таблица сопротивлений
|
Напряжение питания
| =110 В
| =12 В
|
| Сопротивление | 77,8 Ом
| 1,3 Ом |
| Габаритные размеры |
 |
Версия: 2023-06-29-ЛВС