SB1859
Катушка к клапанам AR-2W12* (Ду=32...50 мм), AR-2W12F* (Ду=32...50 мм), AR-YCPG11*, AR-YCPG11F*, AR-2W41 GSV** (Ду=40, 50 мм), AR-2W42 GSV** (Ду=40, 50 мм)
* C клапанами AR-2W12 (Ду=32...50 мм), AR-2W12F (Ду=32...50 мм), AR-YCPG11, AR-YCPG11F можно использовать катушки SB1859 только на постоянное напряжение: =12, =24 В.
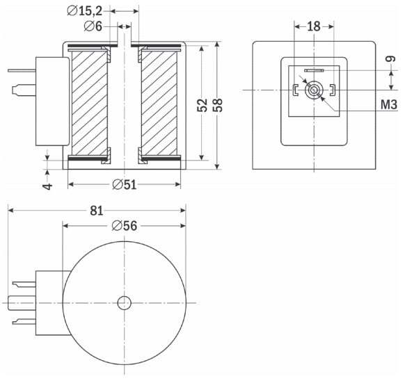
** Для установки катушки на клапаны AR-2W41 GSV (Ду=40, 50 мм), AR-2W42 GSV (Ду=40, 50 мм) необходимо рассверлить верхнее отверстие катушки: увеличить диаметр сужения 6 мм (см. чертеж) до 15,2 мм.
Технические характеристики:
** Для установки катушки на клапаны AR-2W41 GSV (Ду=40, 50 мм), AR-2W42 GSV (Ду=40, 50 мм) необходимо рассверлить верхнее отверстие катушки: увеличить диаметр сужения 6 мм (см. чертеж) до 15,2 мм.
| Параметры
| Значение
| |||
| Размер посадочного отверстия
| ∅ 15,2×H52 мм
| |||
| Питание | ~110 В | ~24 В
| =24 В
| =12 В
|
| Потребляемая мощность | ~12 ВА
| ~41 ВА
| =19 Вт
| =19 Вт
|
| Класс нагревостойкости и изоляции катушки | +130°C (класс B) | |||
| Степень пылевлагозащиты | IP54 | |||
| Присоединение коннектора | DIN 43650A | |||
| Тип коннектора | SB201, SB202, SB211, SB218 | |||
| Габаритные размеры
| 58×56×81 мм
| |||
| Вес
| 423 г
| |||
| Таблица сопротивлений
| |||||
| Напряжение питания
| ~110 В
| ~24 В
| =24 В
| =12 В
| |
| Сопротивление | 47 Ом
| 3,5 Ом
| 30 Ом
| 8 Ом | |
| Габаритные размеры |
![]() |
Версия: 2024-10-19-КВА
![1440x900_286943_[www.ArtFile.ru].jpg 1440x900_286943_[www.ArtFile.ru].jpg](/upload_ex/medialibrary/6f3/6f3a5067b32295dd9f437f3b1c8467ba.jpg)
