SB461
Катушка к клапанам AR-RMF-Z, AR-RMF-Y, AR-RMF-DD. Подходит к моделям клапана AR-RMF-Z: AR-RMF-Z-15М, AR-RMF-Z-20М, AR-RMF-Z-20P, AR-RMF-Z-25P, AR-RMF-Z-35P, AR-RMF-Z-45P, AR-RMF-Z-50S, AR-RMF-Z-62S, AR-RMF-Z-76S
Технические характеристики:
| Параметры
| Значение
|
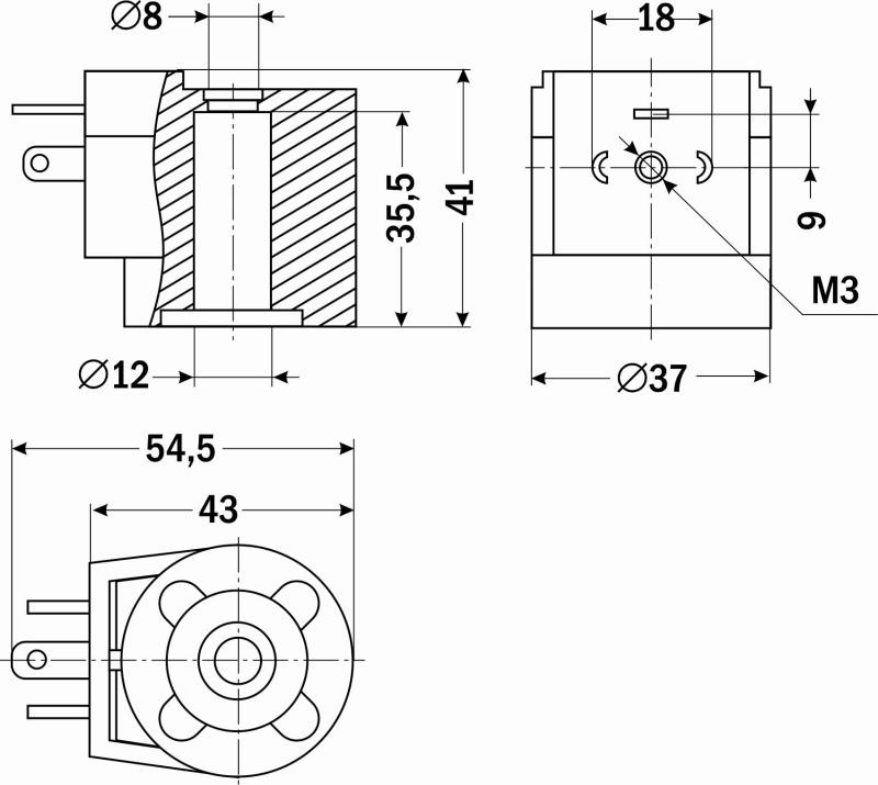
| Размер посадочного отверстия | ∅ 12×H35,5 мм |
| Потребляемая мощность | ~25 ВА/=20 Вт |
| Питание
| ~220 В, ~110 В, ~24 В, =24 В, =12 В |
| Степень пылевлагозащиты
| IP65 |
| Присоединение коннектора | DIN 43650A |
| Тип коннектора | SB201, SB202, SB211, SB218 |
| Габаритные размеры
| 41×37×43 мм
|
| Вес
| 130 г
|
| Таблица сопротивлений
| |||||
| Напряжение питания
| ~220 В
| ~110 В
| ~24 В | =24 В
| =12 В
|
| Сопротивление | 620 Ом
| 620 Ом
| 7,4 Ом | 30 Ом | 6,6 Ом |
| Габаритные размеры
|
![]() |
Версия: 2023-07-26-ЛВС
![1440x900_286943_[www.ArtFile.ru].jpg 1440x900_286943_[www.ArtFile.ru].jpg](/upload_ex/medialibrary/6f3/6f3a5067b32295dd9f437f3b1c8467ba.jpg)
