Катушка к клапанам AR-5523, AR-YCWS6, AR-YCWS11,AR-5503-02, AR-5515-08, AR-5531-03, AR-5515-02, AR-5515-04, AR-5515-04M, AR-5515-06, AR-5515-07, AR-1M21
Технические характеристики:
Параметры
| Значение
|
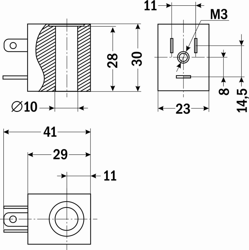
| Размер посадочного отверстия | ∅ 10×H28 мм |
Потребляемая мощность
| ~6,4 ВА/=6 Вт |
| Питание | ~220 В, ~110 В, ~24 В, =24 В, =12 В
|
| Класс нагревостойкости и изоляции катушки | +130°C (класс B)
|
| Степень пылевлагозащиты | IP65
|
| Присоединение коннектора | DIN 43650B |
| Тип коннектора | SB204, SB205, SB213 |
| Габаритные размеры | 30×23×29 мм
|
| Вес | 55 г |
Таблица сопротивлений
|
Напряжение питания
| ~220 В
| ~110 В
| ~24 В
| =24 В
| =12 В
|
| Сопротивление | 3050 Ом
| 845 Ом
| 27 Ом
| 55 Ом
| 23 Ом |
Габаритные размеры
|
 |
Версия: 2013-04-29-КВА